تقترح الورقة البيضاء التي نشرتها PI، والتي تم نشرها في القمة العالمية لـ OCP في سان خوسيه، ترانزستورات GaN بقدرة 1250 فولت و1700 فولت كمفاتيح الطاقة الرئيسية في المرحلة الأولى من التحويل المنخفض.
هذه هي الفولتية العالية لتقنية GaN، حيث تميل الترانزستورات إلى الذروة عند 650 فولت.
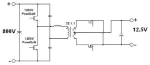
للوصول إلى الفولتية الأعلى، تستخدم شركة Power Integrations زوج ترانزستور متصل بكاسكود حيث يقوم mosfet السيليكون منخفض الجهد بتبديل وضع استنزاف الجهد العالي المعبأ بشكل مشترك (عادةً في وضع التشغيل) GaN hemt. يتم تركيب الموسفيت مباشرة على قالب GaN لتقليل طفيليات الاتصال.
وقال PI: “تعتبر أجهزة GaN في وضع الاستنفاد موثوقة للغاية لأنها لا تتطلب طبقة بوابة GaN من النوع p”. “ونتيجة لذلك، فإنها تتجنب انجراف الجهد العتبي ومخاوف عدم الاستقرار ذات الصلة، مما يضمن الاستقرار على المدى الطويل.”
تقترح PI التحويل المباشر من 800 فولت إلى ناقل 12.5 فولت في مرحلة واحدة باستخدام محول LLC معزول يتضمن محول 32:1 – في الواقع 32:1+1 لأن مقوم الخرج عبارة عن نصف موجة (انظر الرسم البياني).
إنها ترى أن ترانزستورات الطاقة بقدرة 1250 فولت GaN بدلاً من Si mosfets ضرورية، مستغلة الحد الأقصى لتردد التشغيل الأعلى لتقليص التحويل بما يكفي ليكون عمليًا.
في مثال التصميم الخاص به، يتنبأ بمحول تحويل بجهد صفري بسرعة 1 ميجاهرتز مع زمن انتقالي أقل من 100 نانو ثانية وكفاءة > 98%.
بالنسبة للطاقة المساعدة داخل الحامل، تقترح PI جهاز IMX2353F ‘InnoMux2-EP’ IC القائم على GaN بتصنيف 1700 فولت، والذي يمكنه استخلاص ما يصل إلى ثلاثة قضبان طاقة مباشرة في مرحلة واحدة – بما في ذلك 48 فولت للمروحة و12 فولت للإلكترونيات، من مدخل يصل إلى 1000 فولت.
الشركة ورقة بيضاء حول مقترحات مركز البيانات 800V مفصلة وتستحق نظرة.
قامت Nvidia بتجنيد العديد من أسماء كبيرة في مجال إلكترونيات الطاقة لمبادرة مركز البيانات 800Vdc





